Мастерстрой
Готовый интернет-магазин электроники
Каталог
Малярные работы
Малярные ленты, укрывные материалы
Защитные материалы
Tesa - материалы для малярных работ
Малярные ленты
Укрывочные материалы
Ручной малярный инструмент
Строительные ножи и ножницы
Осветительное оборудование
SHEETROCK — инструмент и ленты
Olejnik — профессиональный штукатурный инструмент
Storch- профессиональные инструменты для мастеров
Semin - материалы и инструменты для отделки
Wooster-малярный инструмент
Валики
Кисти
Ленты малярные
Принадлежности
Удлинители
Аксессуары
Лотки и вёдра
Абразивные материалы
Шлифки-терки
Абразивы (шлифовальные материалы) Mirka
Оснастка: Шлифовальные материалы Festool
Лаки
Герметики
Краски для наружных работ
Краски для внутренних работ
Строительная химия
Декоративные штукатурки Terraco
Шпатлевки
Краска Terraco
Грунтовки и составы Terraco
Дизайнерская коллекция
Системы утепления
Гидроизоляция
Сухие смеси
Шпаклевки
Воск для сауны
Специализированные
Грунтовки и грунт-концентраты
Краски по металлу
Антикоррозионные краски
Для потолков
Для стен и потолков
Фасадные
Наружные работы
Для детских комнат
Для ванных комнат
Универсальные материалы
Краски для дерева
Пропитки
Для полов
Внутренние работы
Покрытия для полов
Конструктивная огнезащита металла
Огнезащита несущих металлоконструкций
Огнезащита воздуховодов
Огнезащита бетона
Огнезащита кабеля
Огнезащита деревянных конструкций
Деревозащитные средства WOOD PRO
Малярное оборудование
Mirka - специалист в шлифовке и полировке
Festool — для требовательных профессионалов
Wagner - лидер в окраске и переносе материалов
Graco-окрасочное оборудование
Профессиональная серия готовых шпатлевок Danogips
Гипсовые плиты
Готовые финишные шпатлевки Danogips
Сухие полимерные шпатлевки
Грунты
Аксессуары для отделки Sheetrock и Danogips
Инструменты
Временное покрытие Smartskin
Карнизы, молдинги, плинтуса
Orac decor
Petri
Краска для наружных работ
Краска для внутренних работ
Краска для потолков
Краска для внутренних и наружных работ
Полиуретановая краска для по металлу
Укрепляющая грунтовочная краска
Грунтовочная краска, блокирующая пятна
Полупрозрачная масло-пропитка
Алкидная масло-морилка
Полиуретановый лак
Полиуретановый цветной лак
Полиуретановый лак на водной основе
Алкидный лак для спортивных залов
Готовая шпаклевка по дереву
Универсальная водная пропитка по камню
Полиуретановый лак для бетона и камня
Le Vanille
Проекционная Краска
Аксессуары
Маркерная краска Магнитная краска Грифельная краска Аксессуары
Маркерная пленка
Маркерная краска
Грунт — Краска
Грунт — Краска Проекционная Краска
Маркерная краска Магнитная краска Грунт — Краска
Меловая пленка
Cветящаяся краска
Грунт — Краска Маркерная пленка Меловая пленка
Магнитная краска
Грифельная краска
Краска экранирующая
Краска для внутренних работ
Краска для потолков
Для наружного и внутреннего применения
Фасадная краска
Грунтовка для внутренних работ
Грунтовка для внутренних и наружных работ
Фасадная краска для древесины
Для внутренних работ в помещениях с повышенной влажностью
Для наружного и внутреннего применения Фасадная краска
Лак для паркета
Для внутренних работ
Малярный инструмент: Валики
Малярный инструмент: Держатели
Малярный инструмент: Малярные ленты
Малярный инструмент: Кисти
Малярный инструмент: Кюветы
Жидкие гводи: Для внутренних и наружных работ
Жидкие гводи: Для внутренних работ
Санитарный герметик: Для кухни и ванной
Герметики: Для кухни и ванной
Герметики: Для внутренних и наружных работ
Реставрация для дерева: Для внутренних и наружных работ
Герметики: Для внутренних работ
Реставрация для дерева: Для внутренних работ
Шпаклевки
Оборудование для малярных работ
Безвоздушные окрасочные аппараты
Комплектующие для окрасочного оборудования
Краскопульты
Шлифмашинки
Электрические краскопульты
Мойки для краскопультов
Инфракрасные сушки
Запчасти для HYVST SPX 1250-310
Запчасти для HYVST SPT 650 L
Запчасти для HYVST SPT 490
Запчасти для HYVST SPT 670
Запчасти для HYVST SPT 390
Запчасти для HYVST SPX 7000
Запчасти для HYVST SPT 210
Запчасти для HYVST EPT 270
Запчасти для HYVST EPT 450
Запчасти для HYVST SPX 300
Запчасти для HYVST SPT 7900
Запчасти для HYVST SPLM 2000
Запчасти для HYVST EPT 7300
Запчасти для SCHTAER SPA 95
Запчасти для HYVST SPT 440
Запчасти для SCHTAER WEGA 7
Запчасти для HYVST SPLM 850
Запчасти для HYVST SPLM 750
Запчасти для HYVST SPT 8200 E
Запчасти для SCHTAER WEGA 10
Аппараты для шпаклевки
Запчасти для SCHTAER MARS 23
Запчасти для SCHTAER MARS X6
Запчасти для SCHTAER SATURN 35
Запчасти для SCHTAER SATURN 300
Запчасти для SCHTAER JUPITER 11
Оборудование для штукатурки и шпаклевки
Запчасти для SCHTAER SPA 75 DP
Запчасти для SCHTAER SPA 1355 DP
Запчасти для SCHTAER SPA 2355 DP
Запчасти для SCHTAER SATURN 28
Запчасти для SCHTAER WEGA 1
Запчасти для HYVST EPT 310
Запчасти для SCHTAER MARS 20
Запчасти для HYVST SPLM 3400
Запчасти для SCHTAER WEGA 5
Запчасти для SCHTAER SATURN 37
Запчасти для SCHTAER SATURN 7000
Запчасти для SCHTAER WEGA 3
Запчасти для SCHTAER SPA 1055 DP
Запчасти для SCHTAER WEGA 6G
Запчасти для HYVST KS-700C-6
Запчасти для HYVST EPT 230
Запчасти для HYVST KS-700A-1
Запчасти для HYVST KS-700C-3
Запчасти для SCHTAER JUPITER 4
Запчасти для SCHTAER JUPITER 10
Запчасти для SCHTAER 3000 F3
Запчасти для HYVST SPT 8900
Запчасти для SCHTAER SATURN 125
Запчасти для SCHTAER ITS 1600
Запчасти для SCHTAER ITS 1400
Запчасти для SCHTAER SATURN 28.1
Запчасти для SCHTAER JUPITER 11.2
Запчасти для SCHTAER JUPITER 11.1
Запчасти для SCHTAER MARS 22
Запчасти для SCHTAER SATURN 32
Запчасти для SCHTAER MARS 25
Запчасти для YOKIJI YKJ 120
Запчасти для YOKIJI KS-01-150
Запчасти для SCHTAER SCH-150
Запчасти для YOKIJI YKJ 970
Запчасти для YOKIJI YKJ 320
Запчасти для YOKIJI YKJ 520
Запчасти для YOKIJI YKJ 720
Запчасти для YOKIJI YKJ 1020
Запчасти для SCHTAER 700 G
Запчасти для SCHTAER 5000 BF
Прочие запчасти
Промышленное окрасочное оборудование
Распродажа
Ручные шлифмашинки
Пневматические шлифмашинки
Пневматические краскопульты
Разметочные машины
Воздушные головы
Запчасти для шлифмашинок SCHTAER
Сварочное оборудование
Полировальные машинки
Телескопические шлифмашинки
Сопутствующие товары
Аппараты для гипсовой шпаклевки
Строительные ходули
Фильтры
Удочки
Запчасти к оборудованию SCHTAER
Безвоздушные краскопульты
Тарелки для шлифмашинок
Сопла
Шланги
Малярные светильники
Круги для шлифмашинок
Шпатели профессиональные
Аксессуары для мастерской
Сварочные аппараты
Промышленные окрасочные аппараты
Строительное окрасочное оборудование
Адаптеры
Бачки
Ручные пневматические краскопульты
Масла
Влагомаслоотделители
Индукционные нагреватели
Споттеры
Принадлежности
Красконагнетательные баки
Расходные материалы
Автоматические пневматические краскопульты
Чистка и обслуживание
Зарядные устройства
Клепальный инструмент
Электрические окрасочные аппараты
Насосы
Инструменты для правки вмятин кузова
Средства защиты
Системы хранения
Бункеры
Фирменный мерч Schtaer
Запчасти для HYVST SPT 1050 L
Запчасти для HYVST SPT 290
Запчасти для SCHTAER JUPITER 12
Запчасти для SCHTAER JUPITER 5
Интерьерные краски
Фасадные краски
Грунты и праймеры
Малярные инструменты
Подбор цвета
Клеи
Затирки и герметики
Гидроизоляция
Готовая мембрана
Устройство полов
Отделка стен
Монтажные составы
Ремонтные составы
Утепление фасадов
Грунты и пропитки
Плиточные работы
Инструмент
Продукты Mechanic
Плиткорезы
Разметочный инструмент
Оборудование для плиткорезов
Ведра
Сопутствующая оснастка
Плиткорезы/Камнерезы
Обработка камня
Инструмент для широкоформатной плитки
Расходные материалы
Алмазный иструмент
Чашки, Фрезы и АГШК
Полотна для МФИ
Диски алмазные
Диски пильные
Коронки алмазные
Сверла твердосплавные
Гидроизоляция
Клеи для плитки
Затирки для швов
Облицовка поверхностей
Ровнители
Штукатурки
Шпаклевки
Выравнивание стен и потолков
Грунтовки - праймеры
Кладочные смеси
Кладочные работы
Смеси для устройства печей и каминов «Суперкамин»
Добавки для растворов
Облицовка керамогранитом до 450х450 включительно и керамической плиткой
Средства по уходу за плиткой
Система выравнивания плитки
Зажимы
Зажимы для кафельной плитки TLS-Profi
Клинья для плитки
Щипцы для СВП
Наборы TLS-Profi
Mapei
Анкерные втулки
Sika
Добавки для бетона
Защитные покрытия
ПВХ мембраны
Плоские кровли
Системы наливного пола
Системы наливных полов
Полиуретановые наливные полы
Общестроительные материалы
Монолитное строительство
Дюбель гвозди
Смолы для химических анкеров
Химические анкера
Строительные смеси
Изоляционные материалы
Лакокрасочные материалы
Litokol
Цементные клеи
Резка и сверление
Гидроизоляция
Мембраны
Гидроизоляция
Герметики
Санитарные
Для бассейнов
Клея
Для камня и мрамора
Акриловые
Специализированные
Высокотемпературные
Пищевые
Очистители и выравниватели
Инструмент
Комплектующие
Для кровли и окон
Для паркета и ламината
Фасадные
Химия для бассейнов
Дезинфекция воды
Затирки
DIAMANT
Затирки
Лестницы, стремянки, подмостки
Krause - Лестничные конструкции
Аксессуары безопасности для лестниц
Аксессуары и запасные части
Алюминиевые ящики
Вышки-туры
Деревянные стремянки
Лестницы с платформой
Подставки и рабочие платформы
Приставные лестницы
Специальные конструкции для транспорта
Стационарные лестницы
Стремянки двухсторонние
Стремянки односторонние
Трапы и переходы
Универсальные и многофункциональные лестницы
Шарнирные лестницы
Платформы и площадки
Индустриальная передвижная складная лестница-стремянка с платформой NV 5540
Индустриальная передвижная двухсторонняя лестница-подмости с платформой NV5520
Индустриальная передвижная лестница-подмости с платформой NV5510
Профессиональная монтажная подставка NV3710
Профессиональная передвижная складная лестница-стремянка с платформой NV3540
Лестница-стремянка передвижная складная с платформой 450х450 мм и поручнями NV 1540
Трансформеры и помосты
Рабочие подмости
Трансформеры
Раздвижные лестницы
Трехсекционные лестницы
Двухсекционные лестницы
Односекционные лестницы
Стремянки
Двухсторонние стремянки
Односторонние стремянки
Садовые стремянки
Вышки-туры
Вышки-туры с рабочей высотой до 7 м
Вышки-туры с рабочей высотой до 3 м
Вышки-туры с рабочей высотой до 5 м
Дополнительные комплекты
Для внутренних работ
Измерительный инструмент
Лазерные уровни (нивелиры)
Аксессуары для лазерных уровней (нивелиров)
Дальномеры
Измерительный инструмент
Нивелиры 3D
Электромонтажные работы
Газовые монтажные пистолеты Lixie
Пистолеты Lixie (аренда)
Для пороховых
Газовый баллон
Отвёртки
Отвёртки серии 400 Ergonic
Наборы отвёрток
Наборы отвёрток
Отвёртки VDE
Шарнирно-губцевые инструменты
Шарнирно-губцевые инструменты VDE
Инструменты серии ERGONIC K
Инструменты серии R-GO
Инструменты серии XS
Съемники стопорных колец
Пресс-клещи и обжимники
Ключи флажковые
Наборы бит
Биты
Инструменты для зачистки проводов
Прочие ручные инструменты
Шестигранные ключи
Тестеры напряжения
Промышленная химия WEICON
Составы на основе эпоксидных смол
Клеи
Клеи-герметики серия Flex
Смазки технические
Технические составы
Инструменты и оборудование
Механические инструменты
Ручные монтажные инструменты
Ручные гидравлические инструменты
Ручные электрогидравлические аккумуляторные инструменты
Гидравлическое оборудование
Инструменты для выдавливания отверстий
Сменные пресс-матрицы для механических и гидравлических инструментов
Промышленная блокировка LOTO
Замки LOTO
Блокираторы LOTO
Групповая блокировка LOTO
Хранение и переноска LOTO
Сигнальная разметка
Знаки безопасности
Ленты и знаки для разметки из материала ToughStripe
Материалы и ленты с эффектом антискольжения
Средства временного ограничения пространства
Фотолюминесцентная разметка
Кабельный канал
Кабельный канал из ПВХ
Аксессуары для кабельного канала
Трубы гофрированные
Труба гофрированная из ПВХ
Труба гофрированная из ПНД
Труба гофрированная из ПП
Труба гофрированная из ПА
Гофрированные трубы из ПЛЛ
Труба защитная из ПНД "Пешель"
Аксессуары для гофрированных труб
Трубы гладкие
Труба жесткая из ПВХ
Труба гладкая из ПНД
Аксессуары для жестких труб
Трубы гофрированные двустенные
Труба двустенная для прокладки кабеля
Аксессуары для двустенных труб
Колодцы для двустенных труб
Металлорукав
Металлорукав негерметичный (МР)
Металлорукав в ПВХ изоляции (МРПИ)
Аксессуары для металлорукава
Электромонтажные коробки
Коробки установочные (подрозетники)
Коробки распределительные
Инструменты для снятия изоляции
Технические составы
Эпоксидные клеи
Анаэробные клеи, фиксаторы, герметики
Ремонтные стержни (холодная сварка)
Клей для полиэтилена (PE) и полипропилена (PP)
Адгезивный клей-спрей
Смазывающие составы
Силиконовые клеи-герметики
Цианоакрилатные клеи
Для электрики и электроники
Антикоррозионные составы
Антикоррозионные монтажные пасты anti-seize (противоизнос)
Металлополимеры
Конструкционные клеи
Контактные клеи
Лаки-фиксаторы
Клеи-герметики серии Flex
Аксессуары
Строительное оборудование
Строительные миксеры
Бетономешалки
Бетономешалка Helmut BM120
Вибротехника
Тепловые пушки
Алмазное бурение
Резчики швов
Резчик швов DIAM JRK-350/6,5 L (Loncin 6.5 л.с Диск 350мм(в комплект не входит) глубина 110мм вес90кг))
Швонарезчик Diam RK-350/5,5Е
Швонарезчик Diam RК-600/13H
Швонарезчик Diam JRК-500/13H
Швонарезчик Diam RК-450/9.0H
Швонарезчик Diam RK-350/5,5H
Резчик швов DIAM JRK-350/5.5H
Швонарезчик FORTEZZO MF14-2 350мм 6.5 л.с.
Резчик швов Fortezzo MF14-4 с двигателем Honda GX160
Стенорезная машина навесная Fortezzo KCY-320WEQ 6280Вт
Бензорез TS-420 d350mm Stihl
Бензорез TS-500i d350mm Stihl
Бензорез TS-800 d400mm Stihl
Резчик швов STIHL TS-800 d400mm в сборе
Нарезчик швов Fortezzo TF600-2 с двигателем Loncin G420FD 15HP
Нарезчик швов TF600-4(TF500-4) с двигателем Honda GX390
Фрезеровальные машины
Фрезеровальная машина TEKPAC MC8-4 с двигателем Honda GX160
Фрезеровальная машина TEKPAC MC8-3Y с двигателем Robin EY20
Фрезеровальная машина TEKPAC MC8-3 с двигателем Robin EX17
Фрезеровальная машина TEKPAC MC8-2 с двигателем 5.5HP
Фрезеровальная машина TEKPAC MC10-4 с двигателем Honda GX390
Фрезеровальная машина TEKPAC MC10-5 с двигателем B&S I/C 25T2
Фрезеровальная машина TEKPAC MC10-2 с двигателем 13HP
Фрезеровальная машина TEKPAC MC10-3 с двигателем Robin EX40
Фрезеровальная машина TEKPAC MC8-5 с двигателем B&S I/C 1062
Фрезеровальная машина TEKPAC MC8E с двигателем 2.2кВт
Глубинные вибраторы
Вал с вибронаконечниками серии MVK
Вал с вибронаконечниками серии MVS
Приводы MVDR типа
Вал с вибронаконечниками серии MVP
Приводы MVDS типа
Электрические приводы MVE
Затирочные машины
Магнитные дрели
Сверла
Магнитный сверлильный станок Fortezzo SCY-32HD
Магнитный сверлильный станок Messer MDM-32
Магнитный сверлильный станок Messer MDM-42
Магнитный сверлильный станок Fortezzo SCY-42HD
Оснастка
Магнитный сверлильный-резьбонарезной станок Euroboor ECO.55S+/TA
Магнитный сверлильный-резьбонарезной станок Euroboor ECO.50+/T
Магнитный сверлильный станок Euroboor ECO.100S+/TD
Магнитный сверлильный станок Euroboor ECO.40/2+
Магнитный сверлильный станок Euroboor ECO.50S+
Магнитный сверлильный станок Euroboor ECO.30S+
Магнитный сверлильный станок Euroboor ECOS+/T
Беспроводной магнитный сверлильный станок Euroboor EBM.360
Магнитный сверлильный станок Euroboor ECO.36
Магнитный сверлильный станок Euroboor ECO.40S+
Магнитный сверлильный станок Euroboor ECO-TUBE.30 для работы на трубах, изогнутых поверхностях и плоских листах металла
Специальное подъёмное оборудование
Монтажные площадки и рампы
Лестницы с площадкой складные
Двухсторонние лестницы и трапы
Лестницы с площадкой передвижные
Лестницы специальные
Стремянки специальные
Подмости, платформы и подставки
Принадлежности и аксессуары
Вышки-туры специальные
Принадлежности
Поручень в сборе П-образный Ф30х2х2415
Траверса в сборке усиленная
Поручень в сборе П-образный Ф30х2х880
Поручень в сборе Ф30х2х1529
Настил для лестницы-трансформера NV 3930
Кровельный крюк NV 1920011
Рабочая площадка для лестниц NV 1920010
Башмаки тетивы
Башмаки для траверсы из однокомпонентного пластика
Траверса в сборе
Опора на стену
Поручень
Удлинитель тетивы лестниц в сборе
Замки трансформера
Помосты трансформера
Промышленные пылесосы
Строительные пылесосы
Профессиональные пылесосы
Промышленные пылесосы
Оборудование снято с производства
Подметальные машины
Аксессуары и запасные части
Люки скрытого монтажа
Shag-ma
Люки под плитку
Комплектующие
Лючки.РФ
Секрет 3.0
Мега Алюм
Секрет-Лайт
АлюЛайт
Премиум Лайт
Невидимка-бюджет
Невидимка Премиум Слим
Жидкая теплоизоляция
АСТРАТЕК
Броня
Теплоизоляционные покрытия
Броня "Антисептик" (антисептик)
Огнезащитные покрытия
Жидкая гидроизоляция
Грунтовка глубокого проникновения
Гидрофобизаторы
АКЗ и Защита Металлоконструкций
Звукоизоляционные покрытия
Декоративные работы
Pratta
Декоративная штукатурка
Terraco
Акриловые штукатурки
Интерьерные штукатурки
Силиконовые штукатурки
Минеральные штукатурки
Штукатурка на мраморной крошке
Текстурные штукатурки
Шпатлевки для внутренних работ
Шпатлевки для фасадных работ
Заполнитель трещин
Интерьерные краски
Силиконовые краски
Специальные краски Terraco
Фасадные краски
Проникающие грунтовки
Бетоноконтакт
Специальные составы
Венецианская штукатурка
Дизайнерская краска
Текстурное покрытие
Терравертин
Декоративные штукатурки
Гидроизоляция
Готовая гидроизоляция
Сухая гидроизоляция
Сухие смеси
Сантехнические работы
НЕПТУН
УМНАЯ СЕРИЯ NEPTUN SMART
КОМПЛЕКТЫ НЕПТУН | В ПРОЦЕССЕ РЕМОНТА
КОМПЛЕКТУЮЩИЕ СИСТЕМЫ НЕПТУН
Готовые комплекты с одним краном (для газовой колонки)
КОМПЛЕКТЫ НЕПТУН | РЕМОНТ ЗАВЕРШЁН
Архив моделей Нептун
TECE
Панели смыва
Арматура Far
Дренажные каналы
Крепеж и маркировка Walraven
Аксессуары для инженерных систем Pipal
Крепеж и маркировка РуcстаР
Настенные уголки и сквозные присоединения
Трубки Energoflex Super
Радиаторные подключения
Фитинги
Арматура Oventrop
Арматура Conex Banninger
Насосное оборудование SFA
Защита от протечек Neptun
Водонагреватели Clage
Водоподготовка BWT
Крепеж fischer
Инструменты Knipex
Решетки для слива воды в ванной и душе
Настенные уголки и сквозные присоединения
Декоративные панели и решетки из нержавеющей стали и стекла
Архивные модели
Система отопления SALUS
Сервоприводы и термостаты TECE
Шаровые краны
Коллекторы TECE
Инструменты TECE
Инструменты
Радиаторные подключения
Монтажные элементы
Коллекторы и адаптеры
Звукоизоляция TONLOS
Комплекты для установки подвесных унитазов
TECEprofil
Защита от протечек GIDROLOCK
Незамерзающие краны Arrowhead
Фитинги TECE
Застенные модули
Инструменты TECE
Сифоны Wirquin
Коллекторные шкафы TECE
Водоподготовка SYR
Монтажные элементы ОВКНН
Вентиляция Blizzard
Сифоны и опоры
POLO-KAL 3S
Фитинги TECE
Seal System
Трубы TECE
Аксессуары
POLO-KAL NG
Крепеж ST_FIX
Крепежные элементы TECE
Дополнительные элементы
Коллекторы и адаптеры
Заглушки FELDER
Инструмент Brinko
Комплектующие для канализации
Монтажный профиль
Трубопроводы
Смесители Roca
Водозапорная арматура REMER
Застенные модули
Арматура ITAP
Счетчик воды Itelma
Дополнительные элементы
Верхние панели
TECEdrainline
Водоподготовка Гейзер
Energofloor
TECElogo
Дренажный канал TECEdrainprofile
TECEdrainprofile
Нижние панели
Дренажные каналы TECElinus
Покраска каналов, трапов, панелей смыва
TECElinus Дополнительные элементы
Дозирование
Опоры и сифоны TECE
Запорные краны TECO
Трубы Uranum
Монтажная шина, крепеж MUPRO
Санитарная керамика
Крепеж Format Interior
Монтажные элементы GIDROMIR
Уплотнительные материалы Facot
Дополнительные элементы
Душевые трапы TECEdrainpoint S
Трубопроводы
Маркировка
Сифоны McAlpine
Сифоны HL
Монтажные узлы и элементы
Компоненты теплого пола TECE
Монтажные комплекты TECEone
TECElux
Монтажные узлы и элементы
Смесительный узел TECE
Безреагентная защита от накипи и известковых отложений
Крышки-сиденья
Унитаз-биде TECEone
Шумоизоляция
Материалы для звукоизоляции
Мембраны Звукоизол
Мембраны Тексаунд
Панели АкустикГипс
Панели Соноплат
Маты ТермоЗвукоИзол
Полотна Звукоизол
Полотна Виброфлор
Плиты СтопЗвук
Виброподвесы Сонокреп
Декоративные акустические материалы
Soundec
Akustiline
Akustiline Baffle
SAB Acoustic Premium
Belner
Acospray / AirAcoustic
SoundWool
HOFTECH
Материалы для виброизоляции
Маты Vibrafoam
Виброподвесы Сонокреп
Дополнительные материалы
Звукоизоляционные подрозетники
Комплекты для звукоизоляции
Профили и крепежные элементы
Ленты
Герметики и клей
Термозвукоизоляционные чехлы
РусПанель
RPG Basic
RPG Optima
RPG Звукоизоляция
Комплектующие
Готовые Формы – душевые кабины
Лежаки
RPG Душевой поддон
Полка консольная
RPG Фасад
RPG Foil
Экраны для ванн
Терморустик
KREMLIN Блок
RPG Градиент
3D изделия купола
PENOPLEX XPS TRUCK 250
RPG Real
RPG Сэндвич
RPG Теплый пол
Крепеж, анкерная техника
Анкера для бетона
Дюбели
Анкерные болты
Анкера-клины
Анкерные болты R-XPT HD
Крепеж
Прутки для химического анкера из стали 5.8 FL
Прутки для химических анкеров
Прутки для химического анкера из стали 5.8
Рамные дюбеля
Саморезы
Саморезы для сэндвич панелей
Шурупы
химия для уборки и клининга
Жидкое мыло для ресторанов
Жидкое мыло в канистрах
Средства для ежедневной уборки
Наборы для уборки апартаментов
Индустриальные моющие концентраты
Средства для чистки ковров
Средства очистки после ремонта
Очистители бытовых стекол и зеркал
Моющие средства для пола
Специальные средства для ухода за поверхностями
Моющие средства для посуды
Кухонные средства для обезжиривания
Моющие средства для посудомоечных машин
Средства для чистки и дезинфекции сантехники
Средства для стирки
Средства для удаления пятен
Средство для чистки и дезинфекции
Универсальные чистящие моющие средства
Клининговое оборудование
Моющие и дезинфицирующие средства для обработки поверхностей
Дезинфицирующие средства
Бумага
Средства для кофемашин
Средства для профессиональной прачечной Laundry PRO
Чистящее средство для сан.узлов "Gloss Professional" (флакон 600 мл)
Чистящее средство "Grill" Professional (флакон 600 мл)
Чистящее средство для сан.узлов "WC-gel" Professional (флакон 750 мл)
Универсальное чистящее средство "Universal Cleaner Professional" (флакон 600 мл)
Средство для удаления плесени "Dos-spray" (флакон 600 мл)
Средство щелочное для прочистки канализационных труб "Digger-gel" Professional (флакон 1000 мл)
Чистящее средство для сан.узлов "Gloss-Gel" Professional (флакон 750 мл)
Средство для удаления плесени "Bimold" (канистра 1л)
Средство для удаления пятен "Antigraffiti" Professional (флакон 600 мл)
Очиститель стекол и зеркал "Clean Glass" Professional (флакон 600 мл)
Чистящее средство Grill Delicate Professional (600мл)
Универсальный чистящий гель "DOS-Gel" Professional (флакон 750 мл)
Нейтрализатор запаха "Smell Block" Professional (флакон 600 мл)
Полирующее средство "Final Polish" (флакон 600 мл)
Крем-мыло жидкое увлажняющее "Milana" черника в йогурте (bag-in-box 20,5 кг)
Кондиционер для белья "EVA" sensitive (bag-in-box 20,1 кг)
Крем-мыло жидкое увлажняющее "Milana алоэ вера" (bag-in-box 20,5 кг)
Средство для чистки сантехники "WC-gel" (bag-in-box 20,8 кг)
Средство с полирующим эффектом для пола "Arena Водяная лилия" (bag-in-box 20,1 кг)
Чистящее средство для стекол и зеркал "Clean Glass" лесные ягоды (bag-in-box 20 кг)
Гель-концентрат "Alpi Delicate gel" (bag-in-box 20,6 кг)
Чистящее средство "Azelit" (bag-in-box 22,5 кг)
Средство для мытья посуды «Velly» Нежные ручки (bag-in-box 20,6 кг)
Гель-концентрат для цветных вещей "Alpi color gel" (bag-in-box 20,8 кг)
Крем-мыло жидкое увлажняющее "Milana жемчужное" (bag-in-box 20,4 кг)
Чистящее средство для ванной комнаты "Gloss" (bag-in-box 20,7 кг)
Универсальный чистящий гель "DOS GEL" (bag-in-box 21,2 кг)
Чистящее средство для кухни "Azelit" (bag-in-box 20 кг)
Средство для чистки и дезинфекции "Deso C10" (bag-in-box 20 кг)
Средство для мытья посуды "Velly" Premium лайм и мята (bag-in-box 20,6 кг)
Средства чистки ковровых покрытий
Дезинфицирующие средства для ресторанов
Акции
Бренды
Как купить
Условия оплаты
Условия доставки
Гарантия на товар
Компания
О компании
Новости
Контакты
+7(909)407-44-43
Заказать звонок
Задать вопрос
Войти
  • Корзина0
  • Отложенные0
  • Сравнение товаров0
info@masterovoy161.ru
г. Ростов-на-Дону, ул.Ленина 90
Мастерстрой
Сравнение0
Отложенные 0
Корзина 0
Войти
+7(909)407-44-43
О нас
  • Новости
Малярные работы
  • Малярные ленты, укрывные материалы
  • Ручной малярный инструмент
  • Лотки и вёдра
  • Абразивные материалы
  • Лаки
  • Герметики
  • Краски для наружных работ
  • Краски для внутренних работ
  • Строительная химия
  • Малярное оборудование
  • Профессиональная серия готовых шпатлевок Danogips
  • Гипсовые плиты
  • Готовые финишные шпатлевки Danogips
  • Сухие полимерные шпатлевки
  • Грунты
  • Аксессуары для отделки Sheetrock и Danogips
  • Инструменты
  • Временное покрытие Smartskin
  • Карнизы, молдинги, плинтуса
  • Petri
  • Le Vanille
  • Краска для внутренних работ
  • Краска для потолков
  • Для наружного и внутреннего применения
  • Фасадная краска
  • Грунтовка для внутренних работ
  • Грунтовка для внутренних и наружных работ
  • Фасадная краска для древесины
  • Для внутренних работ в помещениях с повышенной влажностью
  • Для наружного и внутреннего применения Фасадная краска
  • Лак для паркета
  • Для внутренних работ
  • Малярный инструмент: Валики
  • Малярный инструмент: Держатели
  • Малярный инструмент: Малярные ленты
  • Малярный инструмент: Кисти
  • Малярный инструмент: Кюветы
  • Жидкие гводи: Для внутренних и наружных работ
  • Жидкие гводи: Для внутренних работ
  • Санитарный герметик: Для кухни и ванной
  • Герметики: Для кухни и ванной
  • Герметики: Для внутренних и наружных работ
  • Реставрация для дерева: Для внутренних и наружных работ
  • Герметики: Для внутренних работ
  • Реставрация для дерева: Для внутренних работ
  • Шпаклевки
  • Оборудование для малярных работ
  • Интерьерные краски
  • Фасадные краски
  • Грунты и праймеры
  • Малярные инструменты
  • Подбор цвета
  • Клеи
  • Затирки и герметики
  • Гидроизоляция
  • Готовая мембрана
  • Устройство полов
  • Отделка стен
  • Монтажные составы
  • Ремонтные составы
  • Утепление фасадов
  • Грунты и пропитки
Плиточные работы
  • Инструмент
  • Расходные материалы
  • Система выравнивания плитки
  • Mapei
  • Анкерные втулки
  • Sika
  • Litokol
  • Гидроизоляция
  • Герметики
  • Химия для бассейнов
  • Затирки
  • DIAMANT
Лестницы, стремянки, подмостки
  • Krause - Лестничные конструкции
  • Лестницы с платформой
  • Подставки и рабочие платформы
  • Приставные лестницы
  • Специальные конструкции для транспорта
  • Стационарные лестницы
  • Стремянки двухсторонние
  • Стремянки односторонние
  • Трапы и переходы
  • Универсальные и многофункциональные лестницы
  • Шарнирные лестницы
  • Платформы и площадки
  • Трансформеры и помосты
  • Раздвижные лестницы
  • Трехсекционные лестницы
  • Двухсекционные лестницы
  • Односекционные лестницы
  • Стремянки
  • Вышки-туры
Измерительный инструмент
  • Лазерные уровни (нивелиры)
  • Аксессуары для лазерных уровней (нивелиров)
  • Дальномеры
  • Измерительный инструмент
  • Нивелиры 3D
Электромонтажные работы
  • Газовые монтажные пистолеты Lixie
  • Пистолеты Lixie (аренда)
  • Для пороховых
  • Газовый баллон
  • Отвёртки
  • Наборы отвёрток
  • Отвёртки VDE
  • Шарнирно-губцевые инструменты
  • Шарнирно-губцевые инструменты VDE
  • Инструменты серии ERGONIC K
  • Инструменты серии R-GO
  • Инструменты серии XS
  • Съемники стопорных колец
  • Пресс-клещи и обжимники
  • Ключи флажковые
  • Наборы бит
  • Биты
  • Инструменты для зачистки проводов
  • Прочие ручные инструменты
  • Шестигранные ключи
  • Тестеры напряжения
  • Промышленная химия WEICON
  • Инструменты и оборудование
  • Промышленная блокировка LOTO
  • Сигнальная разметка
  • Кабельный канал
  • Трубы гофрированные
  • Трубы гладкие
  • Трубы гофрированные двустенные
  • Металлорукав
  • Электромонтажные коробки
  • Инструменты для снятия изоляции
  • Технические составы
  • Эпоксидные клеи
  • Анаэробные клеи, фиксаторы, герметики
  • Ремонтные стержни (холодная сварка)
  • Клей для полиэтилена (PE) и полипропилена (PP)
  • Адгезивный клей-спрей
  • Смазывающие составы
  • Силиконовые клеи-герметики
  • Цианоакрилатные клеи
  • Для электрики и электроники
  • Антикоррозионные составы
  • Антикоррозионные монтажные пасты anti-seize (противоизнос)
  • Металлополимеры
  • Конструкционные клеи
  • Контактные клеи
  • Лаки-фиксаторы
  • Клеи-герметики серии Flex
  • Аксессуары
Строительное оборудование
  • Строительные миксеры
  • Бетономешалки
  • Вибротехника
  • Тепловые пушки
  • Алмазное бурение
  • Резчики швов
  • Фрезеровальные машины
  • Глубинные вибраторы
  • Затирочные машины
  • Магнитные дрели
  • Специальное подъёмное оборудование
  • Принадлежности
  • Промышленные пылесосы
Люки скрытого монтажа
  • Shag-ma
  • Лючки.РФ
Жидкая теплоизоляция
  • АСТРАТЕК
  • Броня
Декоративные работы
  • Pratta
  • Terraco
Сантехнические работы
  • НЕПТУН
  • TECE
Шумоизоляция
  • Материалы для звукоизоляции
  • Декоративные акустические материалы
  • Материалы для виброизоляции
  • Дополнительные материалы
РусПанель
  • RPG Basic
  • RPG Optima
  • RPG Звукоизоляция
  • Комплектующие
  • Готовые Формы – душевые кабины
  • Лежаки
  • RPG Душевой поддон
  • Полка консольная
  • RPG Фасад
  • RPG Foil
  • Экраны для ванн
  • Терморустик
  • KREMLIN Блок
  • RPG Градиент
  • 3D изделия купола
  • PENOPLEX XPS TRUCK 250
  • RPG Real
  • RPG Сэндвич
  • RPG Теплый пол
Крепеж, анкерная техника
  • Анкера для бетона
  • Дюбели
  • Анкерные болты
  • Анкера-клины
  • Анкерные болты R-XPT HD
  • Крепеж
  • Прутки для химического анкера из стали 5.8 FL
  • Прутки для химических анкеров
  • Прутки для химического анкера из стали 5.8
  • Рамные дюбеля
  • Саморезы
  • Саморезы для сэндвич панелей
  • Шурупы
химия для уборки и клининга
  • Жидкое мыло для ресторанов
  • Жидкое мыло в канистрах
  • Средства для ежедневной уборки
  • Наборы для уборки апартаментов
  • Индустриальные моющие концентраты
  • Средства для чистки ковров
  • Средства очистки после ремонта
  • Очистители бытовых стекол и зеркал
  • Моющие средства для пола
  • Специальные средства для ухода за поверхностями
  • Моющие средства для посуды
  • Кухонные средства для обезжиривания
  • Моющие средства для посудомоечных машин
  • Средства для чистки и дезинфекции сантехники
  • Средства для стирки
  • Средства для удаления пятен
  • Средство для чистки и дезинфекции
  • Универсальные чистящие моющие средства
  • Клининговое оборудование
  • Моющие и дезинфицирующие средства для обработки поверхностей
  • Дезинфицирующие средства
  • Бумага
  • Средства для кофемашин
  • Средства для профессиональной прачечной Laundry PRO
  • Чистящее средство для сан.узлов "Gloss Professional" (флакон 600 мл)
  • Чистящее средство "Grill" Professional (флакон 600 мл)
  • Чистящее средство для сан.узлов "WC-gel" Professional (флакон 750 мл)
  • Универсальное чистящее средство "Universal Cleaner Professional" (флакон 600 мл)
  • Средство для удаления плесени "Dos-spray" (флакон 600 мл)
  • Средство щелочное для прочистки канализационных труб "Digger-gel" Professional (флакон 1000 мл)
  • Чистящее средство для сан.узлов "Gloss-Gel" Professional (флакон 750 мл)
  • Средство для удаления плесени "Bimold" (канистра 1л)
  • Средство для удаления пятен "Antigraffiti" Professional (флакон 600 мл)
  • Очиститель стекол и зеркал "Clean Glass" Professional (флакон 600 мл)
  • Чистящее средство Grill Delicate Professional (600мл)
  • Универсальный чистящий гель "DOS-Gel" Professional (флакон 750 мл)
  • Нейтрализатор запаха "Smell Block" Professional (флакон 600 мл)
  • Полирующее средство "Final Polish" (флакон 600 мл)
  • Крем-мыло жидкое увлажняющее "Milana" черника в йогурте (bag-in-box 20,5 кг)
  • Кондиционер для белья "EVA" sensitive (bag-in-box 20,1 кг)
  • Крем-мыло жидкое увлажняющее "Milana алоэ вера" (bag-in-box 20,5 кг)
  • Средство для чистки сантехники "WC-gel" (bag-in-box 20,8 кг)
  • Средство с полирующим эффектом для пола "Arena Водяная лилия" (bag-in-box 20,1 кг)
  • Чистящее средство для стекол и зеркал "Clean Glass" лесные ягоды (bag-in-box 20 кг)
  • Гель-концентрат "Alpi Delicate gel" (bag-in-box 20,6 кг)
  • Чистящее средство "Azelit" (bag-in-box 22,5 кг)
  • Средство для мытья посуды «Velly» Нежные ручки (bag-in-box 20,6 кг)
  • Гель-концентрат для цветных вещей "Alpi color gel" (bag-in-box 20,8 кг)
  • Крем-мыло жидкое увлажняющее "Milana жемчужное" (bag-in-box 20,4 кг)
  • Чистящее средство для ванной комнаты "Gloss" (bag-in-box 20,7 кг)
  • Универсальный чистящий гель "DOS GEL" (bag-in-box 21,2 кг)
  • Чистящее средство для кухни "Azelit" (bag-in-box 20 кг)
  • Средство для чистки и дезинфекции "Deso C10" (bag-in-box 20 кг)
  • Средство для мытья посуды "Velly" Premium лайм и мята (bag-in-box 20,6 кг)
  • Средства чистки ковровых покрытий
  • Дезинфицирующие средства для ресторанов
+  ЕЩЕ
    Мастерстрой
    +7(909)407-44-43
    Сравнение0 Отложенные 0 Корзина 0
    Мастерстрой
    Сравнение0 Отложенные 0 Корзина 0
    Телефоны
    +7(909)407-44-43
    • Каталог
      • Назад
      • Каталог
      • Малярные работы
        • Назад
        • Малярные работы
        • Малярные ленты, укрывные материалы
          • Назад
          • Малярные ленты, укрывные материалы
          • Защитные материалы
          • Tesa - материалы для малярных работ
          • Малярные ленты
          • Укрывочные материалы
        • Ручной малярный инструмент
          • Назад
          • Ручной малярный инструмент
          • Строительные ножи и ножницы
          • Осветительное оборудование
          • SHEETROCK — инструмент и ленты
          • Olejnik — профессиональный штукатурный инструмент
          • Storch- профессиональные инструменты для мастеров
          • Semin - материалы и инструменты для отделки
          • Wooster-малярный инструмент
          • Валики
          • Кисти
          • Ленты малярные
          • Принадлежности
          • Удлинители
          • Аксессуары
        • Лотки и вёдра
        • Абразивные материалы
          • Назад
          • Абразивные материалы
          • Шлифки-терки
          • Абразивы (шлифовальные материалы) Mirka
          • Оснастка: Шлифовальные материалы Festool
        • Лаки
        • Герметики
        • Краски для наружных работ
        • Краски для внутренних работ
        • Строительная химия
          • Назад
          • Строительная химия
          • Декоративные штукатурки Terraco
          • Шпатлевки
          • Краска Terraco
          • Грунтовки и составы Terraco
          • Дизайнерская коллекция
          • Системы утепления
          • Гидроизоляция
          • Сухие смеси
          • Шпаклевки
          • Воск для сауны
          • Специализированные
          • Грунтовки и грунт-концентраты
          • Краски по металлу
          • Антикоррозионные краски
          • Для потолков
          • Для стен и потолков
          • Фасадные
          • Наружные работы
          • Для детских комнат
          • Для ванных комнат
          • Универсальные материалы
          • Краски для дерева
          • Пропитки
          • Для полов
          • Внутренние работы
          • Покрытия для полов
          • Конструктивная огнезащита металла
          • Огнезащита несущих металлоконструкций
          • Огнезащита воздуховодов
          • Огнезащита бетона
          • Огнезащита кабеля
          • Огнезащита деревянных конструкций
          • Деревозащитные средства WOOD PRO
        • Малярное оборудование
          • Назад
          • Малярное оборудование
          • Mirka - специалист в шлифовке и полировке
          • Festool — для требовательных профессионалов
          • Wagner - лидер в окраске и переносе материалов
          • Graco-окрасочное оборудование
        • Профессиональная серия готовых шпатлевок Danogips
        • Гипсовые плиты
        • Готовые финишные шпатлевки Danogips
        • Сухие полимерные шпатлевки
        • Грунты
        • Аксессуары для отделки Sheetrock и Danogips
        • Инструменты
        • Временное покрытие Smartskin
        • Карнизы, молдинги, плинтуса
          • Назад
          • Карнизы, молдинги, плинтуса
          • Orac decor
        • Petri
          • Назад
          • Petri
          • Краска для наружных работ
          • Краска для внутренних работ
          • Краска для потолков
          • Краска для внутренних и наружных работ
          • Полиуретановая краска для по металлу
          • Укрепляющая грунтовочная краска
          • Грунтовочная краска, блокирующая пятна
          • Полупрозрачная масло-пропитка
          • Алкидная масло-морилка
          • Полиуретановый лак
          • Полиуретановый цветной лак
          • Полиуретановый лак на водной основе
          • Алкидный лак для спортивных залов
          • Готовая шпаклевка по дереву
          • Универсальная водная пропитка по камню
          • Полиуретановый лак для бетона и камня
        • Le Vanille
          • Назад
          • Le Vanille
          • Проекционная Краска
          • Аксессуары
          • Маркерная краска Магнитная краска Грифельная краска Аксессуары
          • Маркерная пленка
          • Маркерная краска
          • Грунт — Краска
          • Грунт — Краска Проекционная Краска
          • Маркерная краска Магнитная краска Грунт — Краска
          • Меловая пленка
          • Cветящаяся краска
          • Грунт — Краска Маркерная пленка Меловая пленка
          • Магнитная краска
          • Грифельная краска
          • Краска экранирующая
        • Краска для внутренних работ
        • Краска для потолков
        • Для наружного и внутреннего применения
        • Фасадная краска
        • Грунтовка для внутренних работ
        • Грунтовка для внутренних и наружных работ
        • Фасадная краска для древесины
        • Для внутренних работ в помещениях с повышенной влажностью
        • Для наружного и внутреннего применения Фасадная краска
        • Лак для паркета
        • Для внутренних работ
        • Малярный инструмент: Валики
        • Малярный инструмент: Держатели
        • Малярный инструмент: Малярные ленты
        • Малярный инструмент: Кисти
        • Малярный инструмент: Кюветы
        • Жидкие гводи: Для внутренних и наружных работ
        • Жидкие гводи: Для внутренних работ
        • Санитарный герметик: Для кухни и ванной
        • Герметики: Для кухни и ванной
        • Герметики: Для внутренних и наружных работ
        • Реставрация для дерева: Для внутренних и наружных работ
        • Герметики: Для внутренних работ
        • Реставрация для дерева: Для внутренних работ
        • Шпаклевки
        • Оборудование для малярных работ
          • Назад
          • Оборудование для малярных работ
          • Безвоздушные окрасочные аппараты
          • Комплектующие для окрасочного оборудования
          • Краскопульты
          • Шлифмашинки
          • Электрические краскопульты
          • Мойки для краскопультов
          • Инфракрасные сушки
          • Запчасти для HYVST SPX 1250-310
          • Запчасти для HYVST SPT 650 L
          • Запчасти для HYVST SPT 490
          • Запчасти для HYVST SPT 670
          • Запчасти для HYVST SPT 390
          • Запчасти для HYVST SPX 7000
          • Запчасти для HYVST SPT 210
          • Запчасти для HYVST EPT 270
          • Запчасти для HYVST EPT 450
          • Запчасти для HYVST SPX 300
          • Запчасти для HYVST SPT 7900
          • Запчасти для HYVST SPLM 2000
          • Запчасти для HYVST EPT 7300
          • Запчасти для SCHTAER SPA 95
          • Запчасти для HYVST SPT 440
          • Запчасти для SCHTAER WEGA 7
          • Запчасти для HYVST SPLM 850
          • Запчасти для HYVST SPLM 750
          • Запчасти для HYVST SPT 8200 E
          • Запчасти для SCHTAER WEGA 10
          • Аппараты для шпаклевки
          • Запчасти для SCHTAER MARS 23
          • Запчасти для SCHTAER MARS X6
          • Запчасти для SCHTAER SATURN 35
          • Запчасти для SCHTAER SATURN 300
          • Запчасти для SCHTAER JUPITER 11
          • Оборудование для штукатурки и шпаклевки
          • Запчасти для SCHTAER SPA 75 DP
          • Запчасти для SCHTAER SPA 1355 DP
          • Запчасти для SCHTAER SPA 2355 DP
          • Запчасти для SCHTAER SATURN 28
          • Запчасти для SCHTAER WEGA 1
          • Запчасти для HYVST EPT 310
          • Запчасти для SCHTAER MARS 20
          • Запчасти для HYVST SPLM 3400
          • Запчасти для SCHTAER WEGA 5
          • Запчасти для SCHTAER SATURN 37
          • Запчасти для SCHTAER SATURN 7000
          • Запчасти для SCHTAER WEGA 3
          • Запчасти для SCHTAER SPA 1055 DP
          • Запчасти для SCHTAER WEGA 6G
          • Запчасти для HYVST KS-700C-6
          • Запчасти для HYVST EPT 230
          • Запчасти для HYVST KS-700A-1
          • Запчасти для HYVST KS-700C-3
          • Запчасти для SCHTAER JUPITER 4
          • Запчасти для SCHTAER JUPITER 10
          • Запчасти для SCHTAER 3000 F3
          • Запчасти для HYVST SPT 8900
          • Запчасти для SCHTAER SATURN 125
          • Запчасти для SCHTAER ITS 1600
          • Запчасти для SCHTAER ITS 1400
          • Запчасти для SCHTAER SATURN 28.1
          • Запчасти для SCHTAER JUPITER 11.2
          • Запчасти для SCHTAER JUPITER 11.1
          • Запчасти для SCHTAER MARS 22
          • Запчасти для SCHTAER SATURN 32
          • Запчасти для SCHTAER MARS 25
          • Запчасти для YOKIJI YKJ 120
          • Запчасти для YOKIJI KS-01-150
          • Запчасти для SCHTAER SCH-150
          • Запчасти для YOKIJI YKJ 970
          • Запчасти для YOKIJI YKJ 320
          • Запчасти для YOKIJI YKJ 520
          • Запчасти для YOKIJI YKJ 720
          • Запчасти для YOKIJI YKJ 1020
          • Запчасти для SCHTAER 700 G
          • Запчасти для SCHTAER 5000 BF
          • Прочие запчасти
          • Промышленное окрасочное оборудование
          • Распродажа
          • Ручные шлифмашинки
          • Пневматические шлифмашинки
          • Пневматические краскопульты
          • Разметочные машины
          • Воздушные головы
          • Запчасти для шлифмашинок SCHTAER
          • Сварочное оборудование
          • Полировальные машинки
          • Телескопические шлифмашинки
          • Сопутствующие товары
          • Аппараты для гипсовой шпаклевки
          • Строительные ходули
          • Фильтры
          • Удочки
          • Запчасти к оборудованию SCHTAER
          • Безвоздушные краскопульты
          • Тарелки для шлифмашинок
          • Сопла
          • Шланги
          • Малярные светильники
          • Круги для шлифмашинок
          • Шпатели профессиональные
          • Аксессуары для мастерской
          • Сварочные аппараты
          • Промышленные окрасочные аппараты
          • Строительное окрасочное оборудование
          • Адаптеры
          • Бачки
          • Ручные пневматические краскопульты
          • Масла
          • Влагомаслоотделители
          • Индукционные нагреватели
          • Споттеры
          • Принадлежности
          • Красконагнетательные баки
          • Расходные материалы
          • Автоматические пневматические краскопульты
          • Чистка и обслуживание
          • Зарядные устройства
          • Клепальный инструмент
          • Электрические окрасочные аппараты
          • Насосы
          • Инструменты для правки вмятин кузова
          • Средства защиты
          • Системы хранения
          • Бункеры
          • Фирменный мерч Schtaer
          • Запчасти для HYVST SPT 1050 L
          • Запчасти для HYVST SPT 290
          • Запчасти для SCHTAER JUPITER 12
          • Запчасти для SCHTAER JUPITER 5
        • Интерьерные краски
        • Фасадные краски
        • Грунты и праймеры
        • Малярные инструменты
        • Подбор цвета
        • Клеи
        • Затирки и герметики
        • Гидроизоляция
        • Готовая мембрана
        • Устройство полов
        • Отделка стен
        • Монтажные составы
        • Ремонтные составы
        • Утепление фасадов
        • Грунты и пропитки
      • Плиточные работы
        • Назад
        • Плиточные работы
        • Инструмент
          • Назад
          • Инструмент
          • Продукты Mechanic
          • Плиткорезы
          • Разметочный инструмент
          • Оборудование для плиткорезов
          • Ведра
          • Сопутствующая оснастка
          • Плиткорезы/Камнерезы
          • Обработка камня
          • Инструмент для широкоформатной плитки
        • Расходные материалы
          • Назад
          • Расходные материалы
          • Алмазный иструмент
          • Чашки, Фрезы и АГШК
          • Полотна для МФИ
          • Диски алмазные
          • Диски пильные
          • Коронки алмазные
          • Сверла твердосплавные
          • Гидроизоляция
          • Клеи для плитки
          • Затирки для швов
          • Облицовка поверхностей
          • Ровнители
          • Штукатурки
          • Шпаклевки
          • Выравнивание стен и потолков
          • Грунтовки - праймеры
          • Кладочные смеси
          • Кладочные работы
          • Смеси для устройства печей и каминов «Суперкамин»
          • Добавки для растворов
          • Облицовка керамогранитом до 450х450 включительно и керамической плиткой
          • Средства по уходу за плиткой
        • Система выравнивания плитки
          • Назад
          • Система выравнивания плитки
          • Зажимы
          • Зажимы для кафельной плитки TLS-Profi
          • Клинья для плитки
          • Щипцы для СВП
          • Наборы TLS-Profi
        • Mapei
        • Анкерные втулки
        • Sika
          • Назад
          • Sika
          • Добавки для бетона
          • Защитные покрытия
          • ПВХ мембраны
          • Плоские кровли
          • Системы наливного пола
          • Системы наливных полов
          • Полиуретановые наливные полы
          • Общестроительные материалы
          • Монолитное строительство
          • Дюбель гвозди
          • Смолы для химических анкеров
          • Химические анкера
          • Строительные смеси
          • Изоляционные материалы
          • Лакокрасочные материалы
        • Litokol
          • Назад
          • Litokol
          • Цементные клеи
          • Резка и сверление
        • Гидроизоляция
          • Назад
          • Гидроизоляция
          • Мембраны
          • Гидроизоляция
        • Герметики
          • Назад
          • Герметики
          • Санитарные
          • Для бассейнов
          • Клея
          • Для камня и мрамора
          • Акриловые
          • Специализированные
          • Высокотемпературные
          • Пищевые
          • Очистители и выравниватели
          • Инструмент
          • Комплектующие
          • Для кровли и окон
          • Для паркета и ламината
          • Фасадные
        • Химия для бассейнов
          • Назад
          • Химия для бассейнов
          • Дезинфекция воды
        • Затирки
        • DIAMANT
          • Назад
          • DIAMANT
          • Затирки
      • Лестницы, стремянки, подмостки
        • Назад
        • Лестницы, стремянки, подмостки
        • Krause - Лестничные конструкции
          • Назад
          • Krause - Лестничные конструкции
          • Аксессуары безопасности для лестниц
          • Аксессуары и запасные части
          • Алюминиевые ящики
          • Вышки-туры
          • Деревянные стремянки
        • Лестницы с платформой
        • Подставки и рабочие платформы
        • Приставные лестницы
        • Специальные конструкции для транспорта
        • Стационарные лестницы
        • Стремянки двухсторонние
        • Стремянки односторонние
        • Трапы и переходы
        • Универсальные и многофункциональные лестницы
        • Шарнирные лестницы
        • Платформы и площадки
          • Назад
          • Платформы и площадки
          • Индустриальная передвижная складная лестница-стремянка с платформой NV 5540
          • Индустриальная передвижная двухсторонняя лестница-подмости с платформой NV5520
          • Индустриальная передвижная лестница-подмости с платформой NV5510
          • Профессиональная монтажная подставка NV3710
          • Профессиональная передвижная складная лестница-стремянка с платформой NV3540
          • Лестница-стремянка передвижная складная с платформой 450х450 мм и поручнями NV 1540
        • Трансформеры и помосты
          • Назад
          • Трансформеры и помосты
          • Рабочие подмости
          • Трансформеры
        • Раздвижные лестницы
        • Трехсекционные лестницы
        • Двухсекционные лестницы
        • Односекционные лестницы
        • Стремянки
          • Назад
          • Стремянки
          • Двухсторонние стремянки
          • Односторонние стремянки
          • Садовые стремянки
        • Вышки-туры
          • Назад
          • Вышки-туры
          • Вышки-туры с рабочей высотой до 7 м
          • Вышки-туры с рабочей высотой до 3 м
          • Вышки-туры с рабочей высотой до 5 м
          • Дополнительные комплекты
          • Для внутренних работ
      • Измерительный инструмент
        • Назад
        • Измерительный инструмент
        • Лазерные уровни (нивелиры)
        • Аксессуары для лазерных уровней (нивелиров)
        • Дальномеры
        • Измерительный инструмент
        • Нивелиры 3D
      • Электромонтажные работы
        • Назад
        • Электромонтажные работы
        • Газовые монтажные пистолеты Lixie
        • Пистолеты Lixie (аренда)
        • Для пороховых
        • Газовый баллон
        • Отвёртки
          • Назад
          • Отвёртки
          • Отвёртки серии 400 Ergonic
        • Наборы отвёрток
          • Назад
          • Наборы отвёрток
          • Наборы отвёрток
        • Отвёртки VDE
        • Шарнирно-губцевые инструменты
        • Шарнирно-губцевые инструменты VDE
        • Инструменты серии ERGONIC K
        • Инструменты серии R-GO
        • Инструменты серии XS
        • Съемники стопорных колец
        • Пресс-клещи и обжимники
        • Ключи флажковые
        • Наборы бит
        • Биты
        • Инструменты для зачистки проводов
        • Прочие ручные инструменты
        • Шестигранные ключи
        • Тестеры напряжения
        • Промышленная химия WEICON
          • Назад
          • Промышленная химия WEICON
          • Составы на основе эпоксидных смол
          • Клеи
          • Клеи-герметики серия Flex
          • Смазки технические
          • Технические составы
        • Инструменты и оборудование
          • Назад
          • Инструменты и оборудование
          • Механические инструменты
          • Ручные монтажные инструменты
          • Ручные гидравлические инструменты
          • Ручные электрогидравлические аккумуляторные инструменты
          • Гидравлическое оборудование
          • Инструменты для выдавливания отверстий
          • Сменные пресс-матрицы для механических и гидравлических инструментов
        • Промышленная блокировка LOTO
          • Назад
          • Промышленная блокировка LOTO
          • Замки LOTO
          • Блокираторы LOTO
          • Групповая блокировка LOTO
          • Хранение и переноска LOTO
        • Сигнальная разметка
          • Назад
          • Сигнальная разметка
          • Знаки безопасности
          • Ленты и знаки для разметки из материала ToughStripe
          • Материалы и ленты с эффектом антискольжения
          • Средства временного ограничения пространства
          • Фотолюминесцентная разметка
        • Кабельный канал
          • Назад
          • Кабельный канал
          • Кабельный канал из ПВХ
          • Аксессуары для кабельного канала
        • Трубы гофрированные
          • Назад
          • Трубы гофрированные
          • Труба гофрированная из ПВХ
          • Труба гофрированная из ПНД
          • Труба гофрированная из ПП
          • Труба гофрированная из ПА
          • Гофрированные трубы из ПЛЛ
          • Труба защитная из ПНД "Пешель"
          • Аксессуары для гофрированных труб
        • Трубы гладкие
          • Назад
          • Трубы гладкие
          • Труба жесткая из ПВХ
          • Труба гладкая из ПНД
          • Аксессуары для жестких труб
        • Трубы гофрированные двустенные
          • Назад
          • Трубы гофрированные двустенные
          • Труба двустенная для прокладки кабеля
          • Аксессуары для двустенных труб
          • Колодцы для двустенных труб
        • Металлорукав
          • Назад
          • Металлорукав
          • Металлорукав негерметичный (МР)
          • Металлорукав в ПВХ изоляции (МРПИ)
          • Аксессуары для металлорукава
        • Электромонтажные коробки
          • Назад
          • Электромонтажные коробки
          • Коробки установочные (подрозетники)
          • Коробки распределительные
        • Инструменты для снятия изоляции
        • Технические составы
        • Эпоксидные клеи
        • Анаэробные клеи, фиксаторы, герметики
        • Ремонтные стержни (холодная сварка)
        • Клей для полиэтилена (PE) и полипропилена (PP)
        • Адгезивный клей-спрей
        • Смазывающие составы
        • Силиконовые клеи-герметики
        • Цианоакрилатные клеи
        • Для электрики и электроники
        • Антикоррозионные составы
        • Антикоррозионные монтажные пасты anti-seize (противоизнос)
        • Металлополимеры
        • Конструкционные клеи
        • Контактные клеи
        • Лаки-фиксаторы
        • Клеи-герметики серии Flex
        • Аксессуары
      • Строительное оборудование
        • Назад
        • Строительное оборудование
        • Строительные миксеры
        • Бетономешалки
          • Назад
          • Бетономешалки
          • Бетономешалка Helmut BM120
        • Вибротехника
        • Тепловые пушки
        • Алмазное бурение
        • Резчики швов
          • Назад
          • Резчики швов
          • Резчик швов DIAM JRK-350/6,5 L (Loncin 6.5 л.с Диск 350мм(в комплект не входит) глубина 110мм вес90кг))
          • Швонарезчик Diam RK-350/5,5Е
          • Швонарезчик Diam RК-600/13H
          • Швонарезчик Diam JRК-500/13H
          • Швонарезчик Diam RК-450/9.0H
          • Швонарезчик Diam RK-350/5,5H
          • Резчик швов DIAM JRK-350/5.5H
          • Швонарезчик FORTEZZO MF14-2 350мм 6.5 л.с.
          • Резчик швов Fortezzo MF14-4 с двигателем Honda GX160
          • Стенорезная машина навесная Fortezzo KCY-320WEQ 6280Вт
          • Бензорез TS-420 d350mm Stihl
          • Бензорез TS-500i d350mm Stihl
          • Бензорез TS-800 d400mm Stihl
          • Резчик швов STIHL TS-800 d400mm в сборе
          • Нарезчик швов Fortezzo TF600-2 с двигателем Loncin G420FD 15HP
          • Нарезчик швов TF600-4(TF500-4) с двигателем Honda GX390
        • Фрезеровальные машины
          • Назад
          • Фрезеровальные машины
          • Фрезеровальная машина TEKPAC MC8-4 с двигателем Honda GX160
          • Фрезеровальная машина TEKPAC MC8-3Y с двигателем Robin EY20
          • Фрезеровальная машина TEKPAC MC8-3 с двигателем Robin EX17
          • Фрезеровальная машина TEKPAC MC8-2 с двигателем 5.5HP
          • Фрезеровальная машина TEKPAC MC10-4 с двигателем Honda GX390
          • Фрезеровальная машина TEKPAC MC10-5 с двигателем B&S I/C 25T2
          • Фрезеровальная машина TEKPAC MC10-2 с двигателем 13HP
          • Фрезеровальная машина TEKPAC MC10-3 с двигателем Robin EX40
          • Фрезеровальная машина TEKPAC MC8-5 с двигателем B&S I/C 1062
          • Фрезеровальная машина TEKPAC MC8E с двигателем 2.2кВт
        • Глубинные вибраторы
          • Назад
          • Глубинные вибраторы
          • Вал с вибронаконечниками серии MVK
          • Вал с вибронаконечниками серии MVS
          • Приводы MVDR типа
          • Вал с вибронаконечниками серии MVP
          • Приводы MVDS типа
          • Электрические приводы MVE
        • Затирочные машины
        • Магнитные дрели
          • Назад
          • Магнитные дрели
          • Сверла
          • Магнитный сверлильный станок Fortezzo SCY-32HD
          • Магнитный сверлильный станок Messer MDM-32
          • Магнитный сверлильный станок Messer MDM-42
          • Магнитный сверлильный станок Fortezzo SCY-42HD
          • Оснастка
          • Магнитный сверлильный-резьбонарезной станок Euroboor ECO.55S+/TA
          • Магнитный сверлильный-резьбонарезной станок Euroboor ECO.50+/T
          • Магнитный сверлильный станок Euroboor ECO.100S+/TD
          • Магнитный сверлильный станок Euroboor ECO.40/2+
          • Магнитный сверлильный станок Euroboor ECO.50S+
          • Магнитный сверлильный станок Euroboor ECO.30S+
          • Магнитный сверлильный станок Euroboor ECOS+/T
          • Беспроводной магнитный сверлильный станок Euroboor EBM.360
          • Магнитный сверлильный станок Euroboor ECO.36
          • Магнитный сверлильный станок Euroboor ECO.40S+
          • Магнитный сверлильный станок Euroboor ECO-TUBE.30 для работы на трубах, изогнутых поверхностях и плоских листах металла
        • Специальное подъёмное оборудование
          • Назад
          • Специальное подъёмное оборудование
          • Монтажные площадки и рампы
          • Лестницы с площадкой складные
          • Двухсторонние лестницы и трапы
          • Лестницы с площадкой передвижные
          • Лестницы специальные
          • Стремянки специальные
          • Подмости, платформы и подставки
          • Принадлежности и аксессуары
          • Вышки-туры специальные
        • Принадлежности
          • Назад
          • Принадлежности
          • Поручень в сборе П-образный Ф30х2х2415
          • Траверса в сборке усиленная
          • Поручень в сборе П-образный Ф30х2х880
          • Поручень в сборе Ф30х2х1529
          • Настил для лестницы-трансформера NV 3930
          • Кровельный крюк NV 1920011
          • Рабочая площадка для лестниц NV 1920010
          • Башмаки тетивы
          • Башмаки для траверсы из однокомпонентного пластика
          • Траверса в сборе
          • Опора на стену
          • Поручень
          • Удлинитель тетивы лестниц в сборе
          • Замки трансформера
          • Помосты трансформера
        • Промышленные пылесосы
          • Назад
          • Промышленные пылесосы
          • Строительные пылесосы
          • Профессиональные пылесосы
          • Промышленные пылесосы
          • Оборудование снято с производства
          • Подметальные машины
          • Аксессуары и запасные части
      • Люки скрытого монтажа
        • Назад
        • Люки скрытого монтажа
        • Shag-ma
          • Назад
          • Shag-ma
          • Люки под плитку
          • Комплектующие
        • Лючки.РФ
          • Назад
          • Лючки.РФ
          • Секрет 3.0
          • Мега Алюм
          • Секрет-Лайт
          • АлюЛайт
          • Премиум Лайт
          • Невидимка-бюджет
          • Невидимка Премиум Слим
      • Жидкая теплоизоляция
        • Назад
        • Жидкая теплоизоляция
        • АСТРАТЕК
        • Броня
          • Назад
          • Броня
          • Теплоизоляционные покрытия
          • Броня "Антисептик" (антисептик)
          • Огнезащитные покрытия
          • Жидкая гидроизоляция
          • Грунтовка глубокого проникновения
          • Гидрофобизаторы
          • АКЗ и Защита Металлоконструкций
          • Звукоизоляционные покрытия
      • Декоративные работы
        • Назад
        • Декоративные работы
        • Pratta
          • Назад
          • Pratta
          • Декоративная штукатурка
        • Terraco
          • Назад
          • Terraco
          • Акриловые штукатурки
          • Интерьерные штукатурки
          • Силиконовые штукатурки
          • Минеральные штукатурки
          • Штукатурка на мраморной крошке
          • Текстурные штукатурки
          • Шпатлевки для внутренних работ
          • Шпатлевки для фасадных работ
          • Заполнитель трещин
          • Интерьерные краски
          • Силиконовые краски
          • Специальные краски Terraco
          • Фасадные краски
          • Проникающие грунтовки
          • Бетоноконтакт
          • Специальные составы
          • Венецианская штукатурка
          • Дизайнерская краска
          • Текстурное покрытие
          • Терравертин
          • Декоративные штукатурки
          • Гидроизоляция
          • Готовая гидроизоляция
          • Сухая гидроизоляция
          • Сухие смеси
      • Сантехнические работы
        • Назад
        • Сантехнические работы
        • НЕПТУН
          • Назад
          • НЕПТУН
          • УМНАЯ СЕРИЯ NEPTUN SMART
          • КОМПЛЕКТЫ НЕПТУН | В ПРОЦЕССЕ РЕМОНТА
          • КОМПЛЕКТУЮЩИЕ СИСТЕМЫ НЕПТУН
          • Готовые комплекты с одним краном (для газовой колонки)
          • КОМПЛЕКТЫ НЕПТУН | РЕМОНТ ЗАВЕРШЁН
          • Архив моделей Нептун
        • TECE
          • Назад
          • TECE
          • Панели смыва
          • Арматура Far
          • Дренажные каналы
          • Крепеж и маркировка Walraven
          • Аксессуары для инженерных систем Pipal
          • Крепеж и маркировка РуcстаР
          • Настенные уголки и сквозные присоединения
          • Трубки Energoflex Super
          • Радиаторные подключения
          • Фитинги
          • Арматура Oventrop
          • Арматура Conex Banninger
          • Насосное оборудование SFA
          • Защита от протечек Neptun
          • Водонагреватели Clage
          • Водоподготовка BWT
          • Крепеж fischer
          • Инструменты Knipex
          • Решетки для слива воды в ванной и душе
          • Настенные уголки и сквозные присоединения
          • Декоративные панели и решетки из нержавеющей стали и стекла
          • Архивные модели
          • Система отопления SALUS
          • Сервоприводы и термостаты TECE
          • Шаровые краны
          • Коллекторы TECE
          • Инструменты TECE
          • Инструменты
          • Радиаторные подключения
          • Монтажные элементы
          • Коллекторы и адаптеры
          • Звукоизоляция TONLOS
          • Комплекты для установки подвесных унитазов
          • TECEprofil
          • Защита от протечек GIDROLOCK
          • Незамерзающие краны Arrowhead
          • Фитинги TECE
          • Застенные модули
          • Инструменты TECE
          • Сифоны Wirquin
          • Коллекторные шкафы TECE
          • Водоподготовка SYR
          • Монтажные элементы ОВКНН
          • Вентиляция Blizzard
          • Сифоны и опоры
          • POLO-KAL 3S
          • Фитинги TECE
          • Seal System
          • Трубы TECE
          • Аксессуары
          • POLO-KAL NG
          • Крепеж ST_FIX
          • Крепежные элементы TECE
          • Дополнительные элементы
          • Коллекторы и адаптеры
          • Заглушки FELDER
          • Инструмент Brinko
          • Комплектующие для канализации
          • Монтажный профиль
          • Трубопроводы
          • Смесители Roca
          • Водозапорная арматура REMER
          • Застенные модули
          • Арматура ITAP
          • Счетчик воды Itelma
          • Дополнительные элементы
          • Верхние панели
          • TECEdrainline
          • Водоподготовка Гейзер
          • Energofloor
          • TECElogo
          • Дренажный канал TECEdrainprofile
          • TECEdrainprofile
          • Нижние панели
          • Дренажные каналы TECElinus
          • Покраска каналов, трапов, панелей смыва
          • TECElinus Дополнительные элементы
          • Дозирование
          • Опоры и сифоны TECE
          • Запорные краны TECO
          • Трубы Uranum
          • Монтажная шина, крепеж MUPRO
          • Санитарная керамика
          • Крепеж Format Interior
          • Монтажные элементы GIDROMIR
          • Уплотнительные материалы Facot
          • Дополнительные элементы
          • Душевые трапы TECEdrainpoint S
          • Трубопроводы
          • Маркировка
          • Сифоны McAlpine
          • Сифоны HL
          • Монтажные узлы и элементы
          • Компоненты теплого пола TECE
          • Монтажные комплекты TECEone
          • TECElux
          • Монтажные узлы и элементы
          • Смесительный узел TECE
          • Безреагентная защита от накипи и известковых отложений
          • Крышки-сиденья
          • Унитаз-биде TECEone
      • Шумоизоляция
        • Назад
        • Шумоизоляция
        • Материалы для звукоизоляции
          • Назад
          • Материалы для звукоизоляции
          • Мембраны Звукоизол
          • Мембраны Тексаунд
          • Панели АкустикГипс
          • Панели Соноплат
          • Маты ТермоЗвукоИзол
          • Полотна Звукоизол
          • Полотна Виброфлор
          • Плиты СтопЗвук
          • Виброподвесы Сонокреп
        • Декоративные акустические материалы
          • Назад
          • Декоративные акустические материалы
          • Soundec
          • Akustiline
          • Akustiline Baffle
          • SAB Acoustic Premium
          • Belner
          • Acospray / AirAcoustic
          • SoundWool
          • HOFTECH
        • Материалы для виброизоляции
          • Назад
          • Материалы для виброизоляции
          • Маты Vibrafoam
          • Виброподвесы Сонокреп
        • Дополнительные материалы
          • Назад
          • Дополнительные материалы
          • Звукоизоляционные подрозетники
          • Комплекты для звукоизоляции
          • Профили и крепежные элементы
          • Ленты
          • Герметики и клей
          • Термозвукоизоляционные чехлы
      • РусПанель
        • Назад
        • РусПанель
        • RPG Basic
        • RPG Optima
        • RPG Звукоизоляция
        • Комплектующие
        • Готовые Формы – душевые кабины
        • Лежаки
        • RPG Душевой поддон
        • Полка консольная
        • RPG Фасад
        • RPG Foil
        • Экраны для ванн
        • Терморустик
        • KREMLIN Блок
        • RPG Градиент
        • 3D изделия купола
        • PENOPLEX XPS TRUCK 250
        • RPG Real
        • RPG Сэндвич
        • RPG Теплый пол
      • Крепеж, анкерная техника
        • Назад
        • Крепеж, анкерная техника
        • Анкера для бетона
        • Дюбели
        • Анкерные болты
        • Анкера-клины
        • Анкерные болты R-XPT HD
        • Крепеж
        • Прутки для химического анкера из стали 5.8 FL
        • Прутки для химических анкеров
        • Прутки для химического анкера из стали 5.8
        • Рамные дюбеля
        • Саморезы
        • Саморезы для сэндвич панелей
        • Шурупы
      • химия для уборки и клининга
        • Назад
        • химия для уборки и клининга
        • Жидкое мыло для ресторанов
        • Жидкое мыло в канистрах
        • Средства для ежедневной уборки
        • Наборы для уборки апартаментов
        • Индустриальные моющие концентраты
        • Средства для чистки ковров
        • Средства очистки после ремонта
        • Очистители бытовых стекол и зеркал
        • Моющие средства для пола
        • Специальные средства для ухода за поверхностями
        • Моющие средства для посуды
        • Кухонные средства для обезжиривания
        • Моющие средства для посудомоечных машин
        • Средства для чистки и дезинфекции сантехники
        • Средства для стирки
        • Средства для удаления пятен
        • Средство для чистки и дезинфекции
        • Универсальные чистящие моющие средства
        • Клининговое оборудование
        • Моющие и дезинфицирующие средства для обработки поверхностей
        • Дезинфицирующие средства
        • Бумага
        • Средства для кофемашин
        • Средства для профессиональной прачечной Laundry PRO
        • Чистящее средство для сан.узлов "Gloss Professional" (флакон 600 мл)
        • Чистящее средство "Grill" Professional (флакон 600 мл)
        • Чистящее средство для сан.узлов "WC-gel" Professional (флакон 750 мл)
        • Универсальное чистящее средство "Universal Cleaner Professional" (флакон 600 мл)
        • Средство для удаления плесени "Dos-spray" (флакон 600 мл)
        • Средство щелочное для прочистки канализационных труб "Digger-gel" Professional (флакон 1000 мл)
        • Чистящее средство для сан.узлов "Gloss-Gel" Professional (флакон 750 мл)
        • Средство для удаления плесени "Bimold" (канистра 1л)
        • Средство для удаления пятен "Antigraffiti" Professional (флакон 600 мл)
        • Очиститель стекол и зеркал "Clean Glass" Professional (флакон 600 мл)
        • Чистящее средство Grill Delicate Professional (600мл)
        • Универсальный чистящий гель "DOS-Gel" Professional (флакон 750 мл)
        • Нейтрализатор запаха "Smell Block" Professional (флакон 600 мл)
        • Полирующее средство "Final Polish" (флакон 600 мл)
        • Крем-мыло жидкое увлажняющее "Milana" черника в йогурте (bag-in-box 20,5 кг)
        • Кондиционер для белья "EVA" sensitive (bag-in-box 20,1 кг)
        • Крем-мыло жидкое увлажняющее "Milana алоэ вера" (bag-in-box 20,5 кг)
        • Средство для чистки сантехники "WC-gel" (bag-in-box 20,8 кг)
        • Средство с полирующим эффектом для пола "Arena Водяная лилия" (bag-in-box 20,1 кг)
        • Чистящее средство для стекол и зеркал "Clean Glass" лесные ягоды (bag-in-box 20 кг)
        • Гель-концентрат "Alpi Delicate gel" (bag-in-box 20,6 кг)
        • Чистящее средство "Azelit" (bag-in-box 22,5 кг)
        • Средство для мытья посуды «Velly» Нежные ручки (bag-in-box 20,6 кг)
        • Гель-концентрат для цветных вещей "Alpi color gel" (bag-in-box 20,8 кг)
        • Крем-мыло жидкое увлажняющее "Milana жемчужное" (bag-in-box 20,4 кг)
        • Чистящее средство для ванной комнаты "Gloss" (bag-in-box 20,7 кг)
        • Универсальный чистящий гель "DOS GEL" (bag-in-box 21,2 кг)
        • Чистящее средство для кухни "Azelit" (bag-in-box 20 кг)
        • Средство для чистки и дезинфекции "Deso C10" (bag-in-box 20 кг)
        • Средство для мытья посуды "Velly" Premium лайм и мята (bag-in-box 20,6 кг)
        • Средства чистки ковровых покрытий
        • Дезинфицирующие средства для ресторанов
    • Акции
    • Бренды
    • Как купить
      • Назад
      • Как купить
      • Условия оплаты
      • Условия доставки
      • Гарантия на товар
    • Компания
      • Назад
      • Компания
      • О компании
      • Новости
    • Контакты
    • Личный кабинет
    • Корзина0
    • Отложенные0
    • Сравнение товаров0
    • +7(909)407-44-43
    Контактная информация
    г. Ростов-на-Дону, ул.Ленина 90
    info@masterovoy161.ru

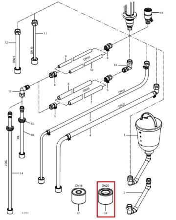
    Фильтр DN25-18mesh-SSt всасывающей системы Leopard 35-70 (Suction filter DN25-18mesh-SSt арт. 2323325)

    Главная
    —
    Каталог
    —
    Малярные работы
    Малярные работыПлиточные работыЛестницы, стремянки, подмосткиИзмерительный инструментЭлектромонтажные работыСтроительное оборудованиеЛюки скрытого монтажаЖидкая теплоизоляцияДекоративные работыСантехнические работыШумоизоляцияРусПанельКрепеж, анкерная техникахимия для уборки и клининга
    —
    Малярное оборудование
    ГидроизоляцияГрунты и пропиткиУтепление фасадовРемонтные составыМонтажные составыОтделка стенУстройство половГотовая мембранаЗатирки и герметикиКлеиПодбор цветаМалярные инструментыГрунты и праймерыФасадные краскиИнтерьерные краскиОборудование для малярных работШпаклевкиРеставрация для дерева: Для внутренних работГерметики: Для внутренних работГипсовые плитыКраска для внутренних работLe VanillePetriКарнизы, молдинги, плинтусаВременное покрытие SmartskinИнструментыАксессуары для отделки Sheetrock и DanogipsГрунтыСухие полимерные шпатлевкиГотовые финишные шпатлевки DanogipsКраска для потолковПрофессиональная серия готовых шпатлевок DanogipsМалярное оборудованиеСтроительная химияКраски для внутренних работКраски для наружных работГерметикиЛакиАбразивные материалыЛотки и вёдраРучной малярный инструментМалярный инструмент: ВаликиРеставрация для дерева: Для внутренних и наружных работГерметики: Для внутренних и наружных работГерметики: Для кухни и ваннойСанитарный герметик: Для кухни и ваннойЖидкие гводи: Для внутренних работЖидкие гводи: Для внутренних и наружных работМалярный инструмент: КюветыМалярный инструмент: КистиМалярный инструмент: Малярные лентыМалярный инструмент: ДержателиМалярные ленты, укрывные материалыДля внутренних работЛак для паркетаДля наружного и внутреннего применения Фасадная краскаДля внутренних работ в помещениях с повышенной влажностьюФасадная краска для древесиныГрунтовка для внутренних и наружных работГрунтовка для внутренних работФасадная краскаДля наружного и внутреннего применения
    —
    Wagner - лидер в окраске и переносе материалов
    Graco-окрасочное оборудованиеWagner - лидер в окраске и переносе материаловFestool — для требовательных профессионаловMirka - специалист в шлифовке и полировке
    —
    Запчасти для пневматического оборудования
    Аппараты поршневые WagnerАппараты мембранныеАппараты HVLP/XVLP воздушного нанесения.Аппараты гидропоршневые WagnerЗапчасти для LineCoatШнековые аппаратыОснастка для HVLPЗапчасти для штукатурного оборудованияЗапчасти для мембранных аппаратовЗапчасти для краскораспылителейЗапчасти для HeavyCoatРемкоплекты WagnerЗапчасти для для моделей ControlProФильтры на аппараты WagnerОснастка для аппаратов FihishControlОснастка для аппаратовШланги WagnerСопла WagnerTempSpray система нагревания материаловПистолеты для безвоздушной окраски
    —Фильтр DN25-18mesh-SSt всасывающей системы Leopard 35-70 (Suction filter DN25-18mesh-SSt арт. 2323325)
    Артикул: 2323325
    Wagner
    Фильтр DN25-18mesh-SSt всасывающей системы Leopard 35-70 (Suction filter DN25-18mesh-SSt арт. 2323325)
    5 864 ₽/шт
    Много
    Нашли дешевле?
    Рассчитать доставку
    Самовывоз сегодня - бесплатно
    Доставка завтра - 390 ₽
    • Описание
    • Как купить
    • Оплата
    • Доставка
    • Дополнительно
    • Фильтр DN25-18mesh-SSt всасывающей системы Leopard 35-70 (Suction filter DN25-18mesh-SSt арт. 2323325)
    • Для подбора запчастей напишите на почту zakaz@100pil.ru.

    Для покупки товара в нашем интернет-магазине выберите понравившийся товар и добавьте его в корзину. Далее перейдите в Корзину и нажмите на «Оформить заказ» или «Быстрый заказ».

    Когда оформляете быстрый заказ, напишите ФИО, телефон и e-mail. Вам перезвонит менеджер и уточнит условия заказа. По результатам разговора вам придет подтверждение оформления товара на почту или через СМС. Теперь останется только ждать доставки и радоваться новой покупке.

    Оформление заказа в стандартном режиме выглядит следующим образом. Заполняете полностью форму по последовательным этапам: адрес, способ доставки, оплаты, данные о себе. Советуем в комментарии к заказу написать информацию, которая поможет курьеру вас найти. Нажмите кнопку «Оформить заказ».

    Оплачивайте покупки удобным способом. В интернет-магазине доступно 3 варианта оплаты:

    1. Наличные при самовывозе или доставке курьером. Специалист свяжется с вами в день доставки, чтобы уточнить время и заранее подготовить сдачу с любой купюры. Вы подписываете товаросопроводительные документы, вносите денежные средства, получаете товар и чек.
    2. Безналичный расчет при самовывозе или оформлении в интернет-магазине: карты Visa и MasterCard. Чтобы оплатить покупку, система перенаправит вас на сервер системы ASSIST. Здесь нужно ввести номер карты, срок действия и имя держателя.
    3. Электронные системы при онлайн-заказе: PayPal, WebMoney и Яндекс.Деньги. Для совершения покупки система перенаправит вас на страницу платежного сервиса. Здесь необходимо заполнить форму по инструкции.

    Экономьте время на получении заказа. В интернет-магазине доступно 4 варианта доставки:

    1. Курьерская доставка работает с 9.00 до 19.00. Когда товар поступит на склад, курьерская служба свяжется для уточнения деталей. Специалист предложит выбрать удобное время доставки и уточнит адрес. Осмотрите упаковку на целостность и соответствие указанной комплектации.
    2. Самовывоз из магазина. Список торговых точек для выбора появится в корзине. Когда заказ поступит на склад, вам придет уведомление. Для получения заказа обратитесь к сотруднику в кассовой зоне и назовите номер.
    3. Постамат. Когда заказ поступит на точку, на ваш телефон или e-mail придет уникальный код. Заказ нужно оплатить в терминале постамата. Срок хранения — 3 дня.
    4. Почтовая доставка через почту России. Когда заказ придет в отделение, на ваш адрес придет извещение о посылке. Перед оплатой вы можете оценить состояние коробки: вес, целостность. Вскрывать коробку самостоятельно вы можете только после оплаты заказа. Один заказ может содержать не больше 10 позиций и его стоимость не должна превышать 100 000 р.

    Дополнительная вкладка, для размещения информации о магазине, доставке или любого другого важного контента. Поможет вам ответить на интересующие покупателя вопросы и развеять его сомнения в покупке. Используйте её по своему усмотрению.

    Вы можете убрать её или вернуть обратно, изменив одну галочку в настройках компонента. Очень удобно.

    5 864 ₽/шт
    Много
    Нашли дешевле?
    В корзинуВ корзине
    Купить в 1 клик
    Рассчитать доставку
    Самовывоз сегодня - бесплатно
    Доставка завтра - 390 ₽
    Цена действительна только для интернет-магазина и может отличаться от цен в розничных магазинах
    Wagner
    Все товары категории
    Все товары бренда Wagner

    Нужна консультация?

    Наши специалисты ответят на любой интересующий вопрос
    Задать вопрос
    О компании
    Услуги
    Как купить
    Производители
    Магазины
    Контакты
    +7(909)407-44-43
    info@masterovoy161.ru
    г. Ростов-на-Дону, ул.Ленина 90
    Подписаться на рассылку
    Политика конфиденциальности
    2026 © Инструменты, оборудование